当前位置:
首页
>
政务公开
>
财政预决算公开
>
财政惠民惠农资金
>
财政惠民惠农资金
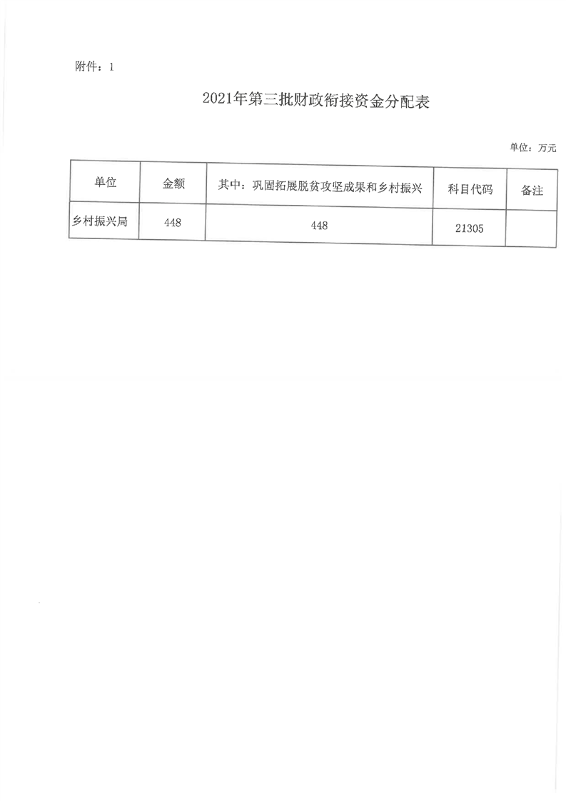
岳阳县财政局2021年关于下达第三批财政衔接推进乡村振兴资金及绩效目标批复公开公示
来源:县财政局
2021-09-08
浏览量:
1
|
|
|
|