《交通运输部关于修改〈国内水路运输管理规定〉的决定》已于2020年2月20日经第5次部务会议通过,现予公布,自2020年5月1日起施行。
交通运输部部长 李小鹏
2020年2月24日
交通运输部关于修改《国内水路运输管理规定》的决定
交通运输部决定对《国内水路运输管理规定》(交通运输部令2016年第79号)作如下修改:
一、将第六条中的“工商行政管理部门”修改为“市场监督管理部门”。
二、删去第八条第三项,并增加两款,作为第二款和第三款:“根据船舶最低安全配员标准,水路运输经营者经营的均为不需要配备船长、轮机长或者大副、大管轮的船舶,其配备的海务、机务管理人员应当具有不低于其所管理船舶船员的从业资历。
水路运输经营者委托船舶管理企业为其提供船舶海务、机务管理等服务的,按照《国内水路运输辅助业管理规定》的有关规定执行。”
三、将第十条修改为:“交通运输部实施省际危险品船运输、沿海省际客船运输、长江干线和西江航运干线水上运输距离60公里以上省际客船运输的经营许可。
其他内河省际客船运输的经营许可,由水路旅客运输业务经营者所在地省级水路运输管理部门实施,作出许可决定前应当与航线始发港、挂靠港、目的港所在地省级水路运输管理部门协商,协商不成的,应当报交通运输部决定。
省际普通货船运输、省内水路运输经营许可应当由设区的市级以上地方人民政府水路运输管理部门具体实施,具体权限由省级人民政府交通运输主管部门决定,向社会公布。”
四、将第十三条修改为:“具有许可权限的部门,对符合条件的,应当在20个工作日内作出许可决定,向申请人颁发《国内水路运输经营许可证》,并向其投入运营的船舶配发《船舶营业运输证》。申请经营水路旅客班轮运输业务的,应当在其《国内水路运输经营许可证》经营范围中载明。不符合条件的,不予许可,并书面通知申请人不予许可的理由。
推进国内水路运输领域政务服务事项网上办理以及《国内水路运输经营许可证》《船舶营业运输证》等证书电子化,加强水路运输经营者和船舶相关证照信息共享。”
五、将第十八条中的“重大以上安全责任事故”修改为“较大以上水上交通事故”。
六、在第二十二条中的“从事水路运输的船舶应当随船携带《船舶营业运输证》”后增加“或者具有同等效力的可查验信息”。
七、增加一条,作为第二十四条:“水路运输经营者应当与托运人订立货物运输合同,对托运人身份信息进行查验。托运人托运货物时应当向水路运输经营者如实提供货物信息,托运危险货物的,还应当符合《船舶载运危险货物安全监督管理规定》的有关规定。
水路运输经营者收到实名举报或者相关证据证明托运人涉嫌在普通货物中夹带危险货物、谎报瞒报托运危险货物的,应当对相关货物进行检查。水路运输经营者发现存在上述情形或者托运人拒绝接受检查的,应当拒绝运输,并及时向水路运输管理部门和海事管理机构报告,未装船的还应当及时向拟装船的港口经营人、港口行政管理部门报告。
水路运输经营者应当对托运人身份信息、托运货物信息进行登记并保存至运输合同履行完毕后6个月。”
八、删去第二十五条。
九、将第二十六条修改为:“水路旅客运输业务经营者应当拒绝携带或者托运国家规定的危险物品及其他禁止携带或者托运的物品的旅客乘船。船舶开航后发现旅客随船携带或者托运国家规定的危险物品及其他禁止携带或者托运的物品的,应当妥善处理,旅客应当予以配合。
水路旅客运输业务经营者应当向社会公布国家规定的不得随船携带或者托运的物品清单。
旅客应当持有效凭证乘船,遵守乘船相关规定,自觉接受安全检查。”
十、删去第二十七条第一款中的“同时报原许可机关备案”,在第二款“变更班期、班次、票价的”后增加“因不可抗力变更班期、班次的除外”,删去第二款“水路旅客班轮运输业务经营者应当在变更的15日前向社会公布”后的“并报原许可机关备案”。
十一、删去第二十八条中的“并报原许可机关备案”,在第二款“变更班期、班次、运价”后增加“因不可抗力变更班期、班次的除外”。
十二、第二十九条第一款改为第二款。增加两款,作为第一款、第三款:“水路旅客运输业务经营者应当向旅客提供客票。客票包括纸质客票、电子客票等乘船凭证,一般应当载明经营者名称、船舶名称、始发港、目的港、乘船时间、票价等基本信息。鼓励水路旅客运输业务经营者开展互联网售票”,“水路旅客运输业务经营者应当向旅客明示退票、改签等规定”。
十三、增加一条,作为第三十条:“水路旅客运输业务经营者应当按有关规定为军人、人民警察、国家综合性消防救援队伍人员、学生、老幼病残孕等旅客提供优先、优惠、免票等优待服务。具体办法由交通运输部另行制定。”
十四、增加一条,作为第三十二条:“水路旅客运输业务经营者应当配备具有相应业务知识和技能的乘务人员,保持船上服务设施和警告标识完好,为老幼病残孕等需要帮助的旅客提供无障碍服务,在船舶开航前播报旅客乘船安全须知,并及时向旅客播报特殊情况下的禁航等信息。”
十五、第四十四条改为第四十六条,将第三款中的“安全责任事故”修改为“水上交通事故”。
十六、第四十五条改为第四十七条,将第二款中的“重大以上安全事故”修改为“较大以上水上交通事故”。
十七、第四十六条改为第四十八条,删去其中的“处1万元以上3万元以下的罚款”。
十八、第四十九条改为第五十一条,删去其中的“处2000元以上1万元以下的罚款;一年内累计三次以上违反的,处1万元以上3万元以下的罚款”和第五项。
十九、第五十条改为第五十二条,将其中的“予以警告,并处2000元以上1万元以下的罚款”修改为“责令改正”。
二十、第五十一条改为第五十三条,在其中的“《国内水路运输管理条例》”后增加“等有关法律法规”。
二十一、第五十六条改为第五十八条,在其中的“同时废止”前增加“1995年12月12日交通部以交水发〔1995〕1178号文发布、1997年8月26日以交水发〔1997〕522号文修改、2014年1月2日交通运输部以交通运输部令2014年第1号修改的《水路旅客运输规则》”。
条文序号和个别文字作相应调整。
本决定自2020年5月1日起施行。
《国内水路运输管理规定》根据本决定作相应修改,重新发布。
国内水路运输管理规定
(2014年1月3日交通运输部发布 根据2015年5月12日交通运输部《关于修改〈国内水路运输管理规定〉的决定》第一次修正 根据2016年12月10日交通运输部《关于修改〈国内水路运输管理规定〉的决定》第二次修正 根据2020年2月 24日交通运输部《关于修改〈国内水路运输管理规定〉的决定》第三次修正)
第一章 总 则
第一条 为规范国内水路运输市场管理,维护水路运输经营活动各方当事人的合法权益,促进水路运输事业健康发展,依据《国内水路运输管理条例》制定本规定。
第二条 国内水路运输管理适用本规定。
本规定所称水路运输,是指始发港、挂靠港和目的港均在中华人民共和国管辖的通航水域内使用船舶从事的经营性旅客运输和货物运输。
第三条 水路运输按照经营区域分为沿海运输和内河运输,按照业务种类分为货物运输和旅客运输。
货物运输分为普通货物运输和危险货物运输。危险货物运输分为包装、散装固体和散装液体危险货物运输。散装液体危险货物运输包括液化气体船运输、化学品船运输、成品油船运输和原油船运输。普通货物运输包含拖航。
旅客运输包括普通客船运输、客货船运输和滚装客船运输。
第四条 交通运输部主管全国水路运输管理工作,并按照本规定具体实施有关水路运输管理工作。
县级以上地方人民政府交通运输主管部门主管本行政区域的水路运输管理工作。县级以上地方人民政府负责水路运输管理的部门或者机构(以下统称水路运输管理部门)具体实施水路运输管理工作。
第二章 水路运输经营者
第五条 申请经营水路运输业务,除个人申请经营内河普通货物运输业务外,申请人应当符合下列条件:
(一)具备企业法人资格。
(二)有明确的经营范围,包括经营区域和业务种类。经营水路旅客班轮运输业务的,还应当有班期、班次以及拟停靠的码头安排等可行的航线营运计划。
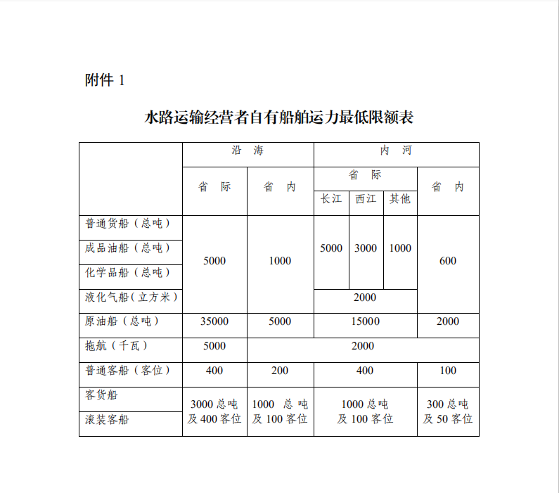
(三)有符合本规定要求的船舶,且自有船舶运力应当符合附件1的要求。
(四)有符合本规定要求的海务、机务管理人员。
(五)有符合本规定要求的与其直接订立劳动合同的高级船员。
(六)有健全的安全管理机构及安全管理人员设置制度、安全管理责任制度、安全监督检查制度、事故应急处置制度、岗位安全操作规程等安全管理制度。
第六条 个人只能申请经营内河普通货物运输业务,并应当符合下列条件:
(一)经市场监督管理部门登记的个体工商户;
(二)有符合本规定要求的船舶,且自有船舶运力不超过600总吨;
(三)有安全管理责任制度、安全监督检查制度、事故应急处置制度、岗位安全操作规程等安全管理制度。
第七条 水路运输经营者投入运营的船舶应当符合下列条件:
(一)与水路运输经营者的经营范围相适应。从事旅客运输的,应当使用普通客船、客货船和滚装客船(统称为客船)运输;从事散装液体危险货物运输的,应当使用液化气体船、化学品船、成品油船和原油船(统称为危险品船)运输;从事普通货物运输、包装危险货物运输和散装固体危险货物运输的,可以使用普通货船运输。
(二)持有有效的船舶所有权登记证书、船舶国籍证书、船舶检验证书以及按照相关法律、行政法规规定证明船舶符合安全与防污染和入级检验要求的其他证书。
(三)符合交通运输部关于船型技术标准、船龄以及节能减排的要求。
第八条 除个体工商户外,水路运输经营者应当配备满足下列要求的专职海务、机务管理人员:
(一)海务、机务管理人员数量满足附件2的要求;
(二)海务、机务管理人员的从业资历与其经营范围相适应:
1.经营普通货船运输的,应当具有不低于大副、大管轮的从业资历;
2.经营客船、危险品船运输的,应当具有船长、轮机长的从业资历。
根据船舶最低安全配员标准,水路运输经营者经营的均为不需要配备船长、轮机长或者大副、大管轮的船舶,其配备的海务、机务管理人员应当具有不低于其所管理船舶船员的从业资历。
水路运输经营者委托船舶管理企业为其提供船舶海务、机务管理等服务的,按照《国内水路运输辅助业管理规定》的有关规定执行。
第九条 除个体工商户外,水路运输经营者按照有关规定应当配备的高级船员中,与其直接订立一年以上劳动合同的高级船员的比例应当满足下列要求:
(一)经营普通货船运输的,高级船员的比例不低于25%;
(二)经营客船、危险品船运输的,高级船员的比例不低于50%。
第十条 交通运输部实施省际危险品船运输、沿海省际客船运输、长江干线和西江航运干线水上运输距离60公里以上省际客船运输的经营许可。
其他内河省际客船运输的经营许可,由水路旅客运输业务经营者所在地省级水路运输管理部门实施,作出许可决定前应当与航线始发港、挂靠港、目的港所在地省级水路运输管理部门协商,协商不成的,应当报交通运输部决定。
省际普通货船运输、省内水路运输经营许可应当由设区的市级以上地方人民政府水路运输管理部门具体实施,具体权限由省级人民政府交通运输主管部门决定,向社会公布。
第十一条 申请经营水路运输业务或者变更水路运输经营范围,应当向其所在地设区的市级人民政府水路运输管理部门提交申请书和证明申请人符合本规定要求的相关材料。
第十二条 受理申请的水路运输管理部门不具有许可权限的,当场核实申请材料中的原件与复印件的内容一致后,在5个工作日内提出初步审查意见并将全部申请材料转报至具有许可权限的部门。
第十三条 具有许可权限的部门,对符合条件的,应当在20个工作日内作出许可决定,向申请人颁发《国内水路运输经营许可证》,并向其投入运营的船舶配发《船舶营业运输证》。申请经营水路旅客班轮运输业务的,应当在其《国内水路运输经营许可证》经营范围中载明。不符合条件的,不予许可,并书面通知申请人不予许可的理由。
推进国内水路运输领域政务服务事项网上办理以及《国内水路运输经营许可证》《船舶营业运输证》等证书电子化,加强水路运输经营者和船舶相关证照信息共享。
第十四条 除购置或者光租已取得相应水路运输经营资格的船舶外,水路运输经营者新增客船、危险品船运力,应当经其所在地设区的市级人民政府水路运输管理部门向具有许可权限的部门提出申请。
具有许可权限的部门根据运力运量供求情况对新增运力申请予以审查。根据运力供求情况需要对新增运力予以数量限制时,依据经营者的经营规模、管理水平、安全记录、诚信经营记录等情况,公开竞争择优作出许可决定。
水路运输经营者新增普通货船运力,应当在船舶开工建造后15个工作日内向所在地设区的市级人民政府水路运输管理部门备案。
第十五条 交通运输部在特定的旅客班轮运输和散装液体危险货物运输航线、水域出现运力供大于求状况,可能影响公平竞争和水路运输安全的情形下,可以决定暂停对特定航线、水域的旅客班轮运输和散装液体危险货物运输新增运力许可。
暂停新增运力许可期间,对暂停范围内的新增运力申请不予许可,对申请投入运营的船舶,不予配发《船舶营业运输证》,但暂停决定生效前已取得新增运力批准且已开工建造、购置或者光租的船舶除外。
第十六条 交通运输部对水路运输市场进行监测,分析水路运输市场运力状况,定期公布监测结果。
对特定的旅客班轮运输和散装液体危险货物运输航线、水域暂停新增运力许可的决定,应当依据水路运输市场监测分析结果作出。
采取暂停新增运力许可的运力调控措施,应当符合公开、公平、公正的原则,在开始实施的60日前向社会公告,说明采取措施的理由以及采取措施的范围、期限等事项。
第十七条 《国内水路运输经营许可证》的有效期为5年。《船舶营业运输证》的有效期按照交通运输部的有关规定确定。水路运输经营者应当在证件有效期届满前的30日内向原许可机关提出换证申请。原许可机关应当依照本规定进行审查,符合条件的,予以换发。
第十八条 发生下列情况后,水路运输经营者应当在15个工作日内以书面形式向原许可机关备案,并提供相关证明材料:
(一)法定代表人或者主要股东发生变化;
(二)固定的办公场所发生变化;
(三)海务、机务管理人员发生变化;
(四)与其直接订立一年以上劳动合同的高级船员的比例发生变化;
(五)经营的船舶发生较大以上水上交通事故;
(六)委托的船舶管理企业发生变更或者委托管理协议发生变化。
第十九条 水路运输经营者终止经营的,应当自终止经营之日起15个工作日内向原许可机关办理注销手续,交回许可证件。
已取得《船舶营业运输证》的船舶报废、转让或者变更经营者,应当自发生上述情况之日起15个工作日内向原许可机关办理《船舶营业运输证》注销、变更手续。
第三章 水路运输经营行为
第二十条 水路运输经营者应当保持相应的经营资质条件,按照《国内水路运输经营许可证》核定的经营范围从事水路运输经营活动。
已取得省际水路运输经营资格的水路运输经营者和船舶,可凭省际水路运输经营资格从事相应种类的省内水路运输,但旅客班轮运输除外。
已取得沿海水路运输经营资格的水路运输经营者和船舶,可在满足航行条件的情况下,凭沿海水路运输经营资格从事相应种类的内河运输。
第二十一条 水路运输经营者不得出租、出借水路运输经营许可证件,或者以其他形式非法转让水路运输经营资格。
第二十二条 从事水路运输的船舶应当随船携带《船舶营业运输证》或者具有同等效力的可查验信息,不得转让、出租、出借或者涂改。《船舶营业运输证》遗失或者损毁的,应当及时向原配发机关申请补发。
第二十三条 水路运输经营者应该按照《船舶营业运输证》标定的载客定额、载货定额和经营范围从事旅客和货物运输,不得超载。
水路运输经营者使用客货船或者滚装客船载运危险货物时,不得载运旅客,但按照相关规定随船押运货物的人员和滚装车辆的司机除外。
第二十四条 水路运输经营者应当与托运人订立货物运输合同,对托运人身份信息进行查验。托运人托运货物时应当向水路运输经营者如实提供货物信息,托运危险货物的,还应当符合《船舶载运危险货物安全监督管理规定》的有关规定。
水路运输经营者收到实名举报或者相关证据证明托运人涉嫌在普通货物中夹带危险货物、谎报瞒报托运危险货物的,应当对相关货物进行检查。水路运输经营者发现存在上述情形或者托运人拒绝接受检查的,应当拒绝运输,并及时向水路运输管理部门和海事管理机构报告,未装船的还应当及时向拟装船的港口经营人、港口行政管理部门报告。
水路运输经营者应当对托运人身份信息、托运货物信息进行登记并保存至运输合同履行完毕后6个月。
第二十五条 水路运输经营者不得擅自改装客船、危险品船增加载客定额、载货定额或者变更从事散装液体危险货物运输的种类。
第二十六条 水路旅客运输业务经营者应当拒绝携带或者托运国家规定的危险物品及其他禁止携带或者托运的物品的旅客乘船。船舶开航后发现旅客随船携带或者托运国家规定的危险物品及其他禁止携带或者托运的物品的,应当妥善处理,旅客应当予以配合。
水路旅客运输业务经营者应当向社会公布国家规定的不得随船携带或者托运的物品清单。
旅客应当持有效凭证乘船,遵守乘船相关规定,自觉接受安全检查。
第二十七条 水路旅客班轮运输业务经营者应当自取得班轮航线经营许可之日起60日内开航,并在开航的15日前通过媒体并在该航线停靠的各客运站点的明显位置向社会公布所使用的船舶、班期、班次、票价等信息。
旅客班轮应当按照公布的班期、班次运行。变更班期、班次、票价的(因不可抗力变更班期、班次的除外),水路旅客班轮运输业务经营者应当在变更的15日前向社会公布。停止经营部分或者全部班轮航线的,经营者应当在停止经营的30日前向社会公布,并报原许可机关备案。
第二十八条 水路货物班轮运输业务经营者应当在班轮航线开航的7日前,向社会公布所使用的船舶以及班期、班次和运价。
货物班轮运输应当按照公布的班期、班次运行;变更班期、班次、运价(因不可抗力变更班期、班次的除外)或者停止经营部分或者全部班轮航线的,水路货物班轮运输业务经营者应当在变更或者停止经营的7日前向社会公布。
第二十九条 水路旅客运输业务经营者应当向旅客提供客票。客票包括纸质客票、电子客票等乘船凭证,一般应当载明经营者名称、船舶名称、始发港、目的港、乘船时间、票价等基本信息。鼓励水路旅客运输业务经营者开展互联网售票。
水路旅客运输业务经营者应当以公布的票价销售客票,不得对相同条件的旅客实施不同的票价,不得以搭售、现金返还、加价等不正当方式变相变更公布的票价并获取不正当利益,不得低于客票载明的舱室或者席位等级安排旅客。
水路旅客运输业务经营者应当向旅客明示退票、改签等规定。
第三十条 水路旅客运输业务经营者应当按有关规定为军人、人民警察、国家综合性消防救援队伍人员、学生、老幼病残孕等旅客提供优先、优惠、免票等优待服务。具体办法由交通运输部另行制定。
第三十一条 水路运输经营者从事水路运输经营活动,应当依法经营,诚实守信,禁止以不合理的运价或者其他不正当方式、不规范行为争抢客源、货源及提供运输服务。
水路旅客运输业务经营者为招揽旅客发布信息,必须真实、准确,不得进行虚假宣传,误导旅客,对其在经营活动中知悉的旅客个人信息,应当予以保密。
第三十二条 水路旅客运输业务经营者应当配备具有相应业务知识和技能的乘务人员,保持船上服务设施和警告标识完好,为老幼病残孕等需要帮助的旅客提供无障碍服务,在船舶开航前播报旅客乘船安全须知,并及时向旅客播报特殊情况下的禁航等信息。
第三十三条 水路旅客运输业务经营者应当就运输服务中的下列事项,以明示的方式向旅客作出说明或者警示:
(一)不适宜乘坐客船的群体;
(二)正确使用相关设施、设备的方法;
(三)必要的安全防范和应急措施;
(四)未向旅客开放的经营、服务场所和设施、设备;
(五)可能危及旅客人身、财产安全的其他情形。
第三十四条 水路运输经营者应当依照法律、行政法规和国家有关规定,优先运送处置突发事件所需物资、设备、工具、应急救援人员和受到突发事件危害的人员,重点保障紧急、重要的军事运输。
水路运输经营者应当服从交通运输主管部门对关系国计民生物资紧急运输的统一组织协调,按照要求优先、及时运输。
水路运输经营者应当按照交通运输主管部门的要求建立运输保障预案,并建立应急运输、军事运输和紧急运输的运力储备。
第三十五条 水路运输经营者应当按照国家统计规定报送运输经营统计信息。
第四章 外商投资企业和外国籍船舶的特别规定
第三十六条 外商投资企业申请从事水路运输,除满足本规定第五条规定的经营资质条件外,还应当符合下列条件:
(一)拟经营的范围内,国内水路运输经营者无法满足需求;
(二)应当具有经营水路运输业务的良好业绩和运营记录。
第三十七条 具有许可权限的部门可以根据国内水路运输实际情况,决定是否准许外商投资企业经营国内水路运输。
经批准取得水路运输经营许可的外商投资企业外方投资者或者外方投资股比等事项发生变化的,应当报原许可机关批准。原许可机关发现外商投资企业不再符合本规定要求的,应当撤销其水路运输经营资质。
第三十八条 符合下列情形并经交通运输部批准,水路运输经营者可以租用外国籍船舶在中华人民共和国港口之间从事不超过两个连续航次或者期限为30日的临时运输:
(一)没有满足所申请的运输要求的中国籍船舶;
(二)停靠的港口或者水域为对外开放的港口或者水域。
第三十九条 租用外国籍船舶从事临时运输的水路运输经营者,应当向交通运输部提交申请书、运输合同、拟使用的外籍船舶及船舶登记证书、船舶检验证书等相关证书和能够证明符合本规定规定情形的相关材料。申请书应当说明申请事由、承运的货物、运输航次或者期限、停靠港口。
交通运输部应当自受理申请之日起15个工作日内,对申请事项进行审核。对符合规定条件的,作出许可决定并且颁发许可文件;对不符合条件的,不予许可,并书面通知申请人不予许可的理由。
第四十条 临时从事水路运输的外国籍船舶,应当遵守水路运输管理的有关规定,按照批准的范围和期限进行运输。
第五章 监督检查
第四十一条 交通运输部和水路运输管理部门依照有关法律、法规和本规定对水路运输市场实施监督检查。
第四十二条 对水路运输市场实施监督检查,可以采取下列措施:
(一)向水路运输经营者了解情况,要求其提供有关凭证、文件及其他相关材料。
(二)对涉嫌违法的合同、票据、账簿以及其他资料进行查阅、复制。
(三)进入水路运输经营者从事经营活动的场所、船舶实地了解情况。
水路运输经营者应当配合监督检查,如实提供有关凭证、文件及其他相关资料。
第四十三条 水路运输管理部门对水路运输市场依法实施监督检查中知悉的被检查单位的商业秘密和个人信息应当依法保密。
第四十四条 实施现场监督检查的,应当当场记录监督检查的时间、内容、结果,并与被检查单位或者个人共同签署名章。被检查单位或者个人不签署名章的,监督检查人员对不签署的情形及理由应当予以注明。
第四十五条 水路运输管理部门在监督检查中发现水路运输经营者不符合本规定要求的经营资质条件的,应当责令其限期整改,并在整改期限结束后对该经营者整改情况进行复查,并作出整改是否合格的结论。
对运力规模达不到经营资质条件的整改期限最长不超过6个月,其他情形的整改期限最长不超过3个月。水路运输经营者在整改期间已开工建造但尚未竣工的船舶可以计入自有船舶运力。
第四十六条 水路运输管理部门应当建立健全水路运输市场诚信监督管理机制和服务质量评价体系,建立水路运输经营者诚信档案,记录水路运输经营者及从业人员的诚信信息,定期向社会公布监督检查结果和经营者的诚信档案。
水路运输管理部门应当建立水路运输违法经营行为社会监督机制,公布投诉举报电话、邮箱等,及时处理投诉举报信息。
水路运输管理部门应当将监督检查中发现或者受理投诉举报的经营者违法违规行为及处理情况、水上交通事故情况等记入诚信档案。违法违规情节严重可能影响经营资质条件的,对经营者给予提示性警告。不符合经营资质条件的,按照本规定第四十五条的规定处理。
第四十七条 水路运输管理部门应当与当地海事管理机构建立联系机制,按照《国内水路运输管理条例》的要求,做好《船舶营业运输证》查验处理衔接工作,及时将本行政区域内水路运输经营者的经营资质保持情况通报当地海事管理机构。
海事管理机构应当将有关水路运输船舶较大以上水上交通事故情况及结论意见及时书面通知该船舶经营者所在地设区的市级人民政府水路运输管理部门。水路运输管理部门应当将其纳入水路运输经营者诚信档案。
第六章 法律责任
第四十八条 水路运输经营者未按照本规定要求配备海务、机务管理人员的,由其所在地县级以上人民政府水路运输管理部门责令改正。
第四十九条 水路运输经营者或其船舶在规定期限内,经整改仍不符合本规定要求的经营资质条件的,由其所在地县级以上人民政府水路运输管理部门报原许可机关撤销其经营许可或者船舶营运证件。
第五十条 从事水路运输经营的船舶超出《船舶营业运输证》核定的经营范围,或者擅自改装客船、危险品船增加《船舶营业运输证》核定的载客定额、载货定额或者变更从事散装液体危险货物运输种类的,按照《国内水路运输管理条例》第三十四条第一款的规定予以处罚。
第五十一条 水路运输经营者违反本规定,有下列行为之一的,由其所在地县级以上人民政府水路运输管理部门责令改正:
(一)未履行备案义务;
(二)未以公布的票价或者变相变更公布的票价销售客票;
(三)进行虚假宣传,误导旅客或者托运人;
(四)以不正当方式或者不规范行为争抢客源、货源及提供运输服务扰乱市场秩序。
第五十二条 水路运输经营者拒绝管理部门根据本规定进行的监督检查或者隐匿有关资料或瞒报、谎报有关情况的,由其所在地县级以上人民政府水路运输管理部门责令改正。
第五十三条 违反本规定的其他规定应当进行处罚的,按照《国内水路运输管理条例》等有关法律法规执行。
第七章 附 则
第五十四条 本规定下列用语的定义:
(一)自有船舶,是指水路运输经营者将船舶所有权登记为该经营者且归属该经营者的所有权份额不低于51%的船舶。
(二)班轮运输,是指在固定港口之间按照预定的船期向公众提供旅客、货物运输服务的经营活动。
第五十五条 依法设立的水路运输行业组织可以依照法律、行政法规和章程的规定,制定行业经营规范和服务标准,组织开展职业道德教育和业务培训,对其会员的经营行为和服务质量进行自律性管理。
水路运输行业组织可以建立行业诚信监督、约束机制,提高行业诚信水平。对守法经营、诚实信用的会员以及从业人员,可以给予表彰、奖励。
第五十六条 经营内地与香港特别行政区、澳门特别行政区,以及大陆地区与台湾地区之间的水路运输,不适用于本规定。
在香港特别行政区、澳门特别行政区进行船籍登记的船舶临时从事内地港口之间的运输,在台湾地区进行船籍登记的船舶临时从事大陆港口之间的运输,参照适用本规定关于外国籍船舶的有关规定。
第五十七条 载客12人以下的客船运输、乡镇客运渡船运输以及与外界不通航的公园、封闭性风景区内的水上旅客运输不适用本规定。
第五十八条 本规定自2014年3月1日起施行。2008年5月26日交通运输部以交通运输部令2008年第2号公布的《国内水路运输经营资质管理规定》,1987年9月22日交通部以(87)交河字680号文公布、1998年3月6日以交水发〔1998〕107号文修改、2009年6月4日交通运输部以交通运输部令2009年第6号修改的《水路运输管理条例实施细则》,1990年9月28日交通部以交通部令1990年第22号公布、2009年交通运输部令2009年第7号修改的《水路运输违章处罚规定》,1995年12月12日交通部以交水发〔1995〕1178号文发布、1997年8月26日以交水发〔1997〕522号文修改、2014年1月2日交通运输部以交通运输部令2014年第1号修改的《水路旅客运输规则》同时废止。

