当前位置:
首页
>
专题专栏
>
政务公开工作要点
>
市场监管
>
信用预警
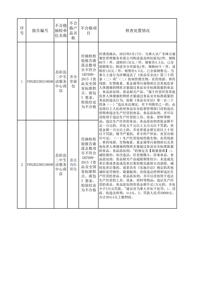
核查处置信息公示(8月9日)
来源:岳阳县市场监督管理局
2023-08-09
浏览量:
1
|
|
|
|