当前位置:
首页
>
专题专栏
>
工程建设审批改革专栏
>
政策文件
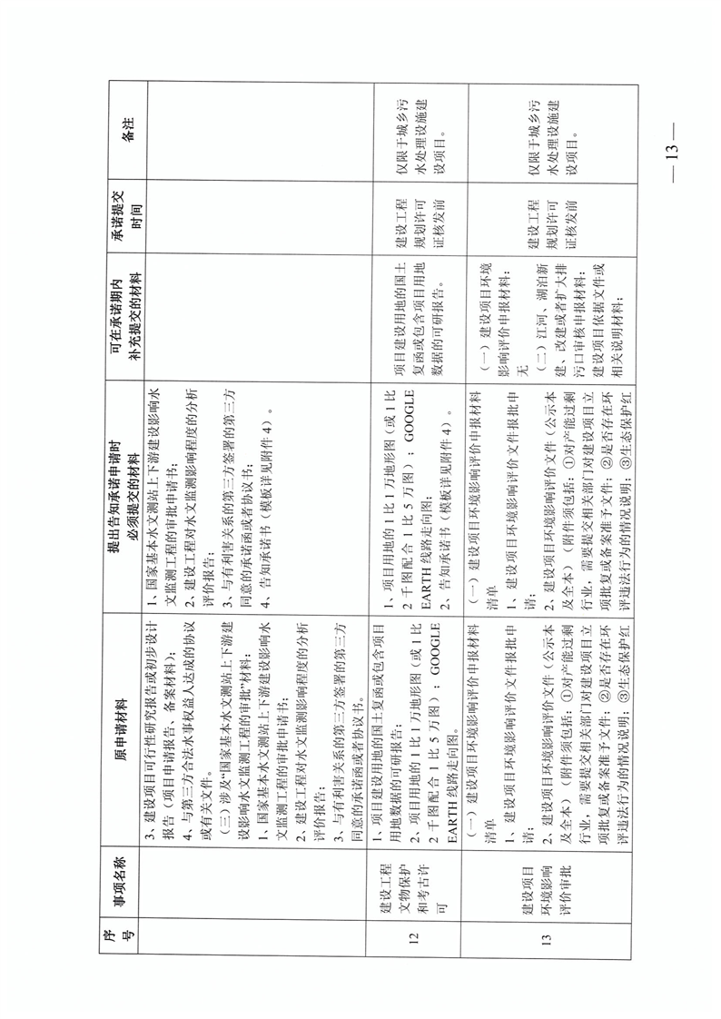
关于转发《湖南省工程建设项目审批可实行告知承诺制的审批事项和申报材料清单(第一批)的通知》的通知
来源:岳阳县工程建设项目审批制度改革工作领导小组办公室
2021-10-29
浏览量:
1
|
|
|
|