当前位置:
首页
>
专题专栏
>
工程建设审批改革专栏
>
工作流程
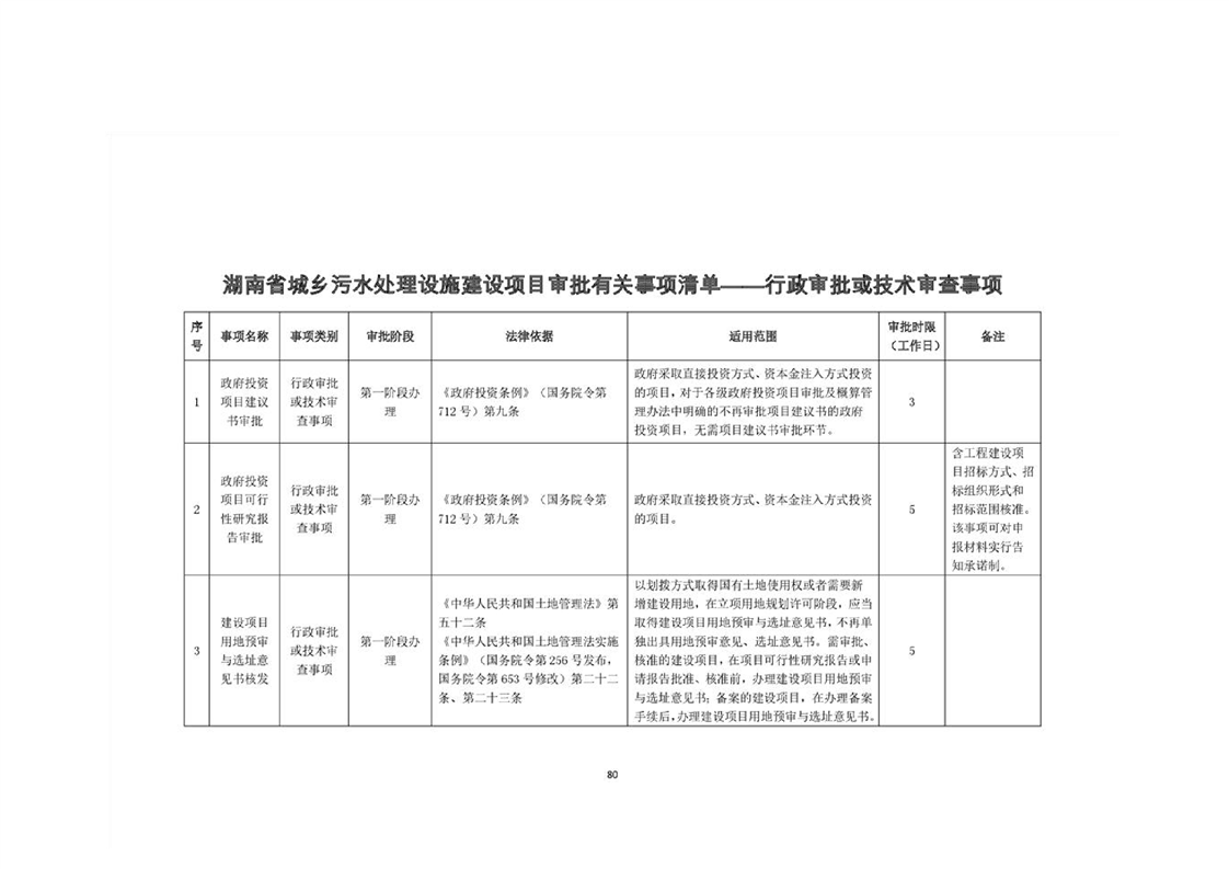
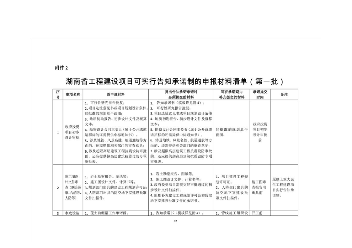
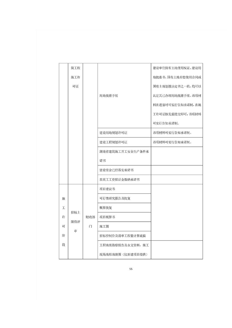
城乡污水处理设施建设项目审批
来源:岳阳县工程建设项目审批制度改革工作领导小组办公室
2021-10-29
浏览量:
1
|
|
|
|